同步帶輪中A、B、S、F 代表什么
同步帶輪中A、B、S、F 代表什么?
A表示 不帶凸臺
B表示 帶凸臺
S表示 不帶擋圈
F表示 帶擋圈
備注:同步帶輪的標注,不同的廠家表示方法也可能存在差異
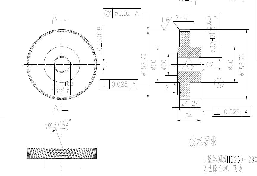
annilte公司是一家生產同步帶、同步帶輪,輸送帶的生產廠家,可根據客戶圖紙定制加工同步帶輪,也可為客戶提供代畫圖紙的業務,公司有多臺數控機床和滾齒機等加工設備,交貨周期快,讓您采購無憂!熱線:0531-87964299
下一篇:不銹鋼輸送帶與PVC輸送帶的區別
上一篇:電機三角帶傳動和同步帶傳動哪個好










魯公網安備 37010502001340號
掃一掃進入手機網站
企業客服微信